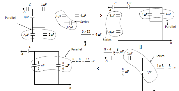
In the following figure the resultant capacitance between A and B is . The capacitance C is
As we have learned
Series Grouping -
- wherein

Given network can be simplified as follows
Given that equivalent capacitance between A and B i.e., CAB
But hence
Option 1)
Option 2)
Option 3)
Option 4)
Study 40% syllabus and score up to 100% marks in JEE