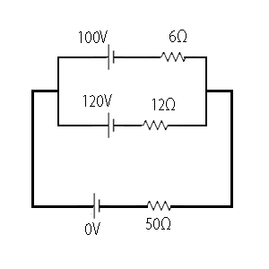
Two batteries with e:m.f 100 V and 120 V are connected in parallel across a load resistor of 50Ω. The internal resistances of the two batteries are 6Ω and 12Ω respectively. The voltage across the load lies between-
NEET UG 2026 irregularities under investigation; NTA says full cooperation being extended to agencies
NEET UG 2026 Tie-Breaking Rule Explained: Here’s how ranks are decided
NEET 2026: Odisha aspirant dies by suicide fearing failure
Create Your Account
To keep connected with us please login with your personal information by phone
Dont't have an account? Register Now