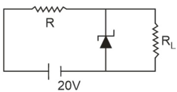
A Zener diode along with a series resistance
is connected across a
supply (as shown in the figure). If the maximum Zener current is
, then the minimum value of
will be_________

480
-
-
-
For will be minimum and
is maximum
The minimum value of will be will be
Study 40% syllabus and score up to 100% marks in JEE
5 g of Na2SO4 was dissolved in x g of H2O. The change in freezing point was found to be 3.820C. If Na2SO4 is 81.5% ionised, the value of x (K

A capacitor is made of two square plates each of side 'a' making a very small angle
A solution of m-chloroaniline, m-chlorophenol and m-chlorobenzoic acid in ethyl acetate was extracted initially with a saturated solution of NaHCO3 to give fraction A. The leftover organic phase was extracted with d