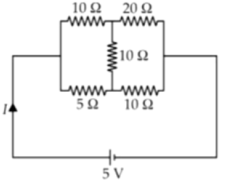
The current I drawn from the source will be:
The given circuit can be redrawn as
It is a balanced Wheatstone bridge and hence. No current flows in the middle resistor. So, equivalent circuit would be as shown in the figure.
resistance are in series, so their equivalent resistance is
Similarly, are in series, so their equivalent resistance is
are in parallel, so the equivalent resistance of the circuit is
Hence option 2 is correct.
Study 40% syllabus and score up to 100% marks in JEE
5 g of Na2SO4 was dissolved in x g of H2O. The change in freezing point was found to be 3.820C. If Na2SO4 is 81.5% ionised, the value of x (K

A capacitor is made of two square plates each of side 'a' making a very small angle
A solution of m-chloroaniline, m-chlorophenol and m-chlorobenzoic acid in ethyl acetate was extracted initially with a saturated solution of NaHCO3 to give fraction A. The leftover organic phase was extracted with d