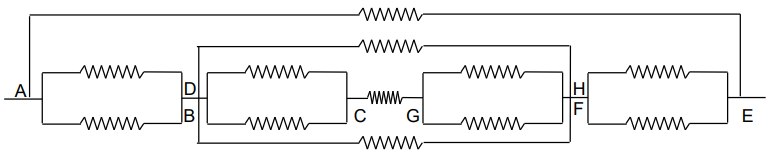
In the network of resistors each of value shown the figure, the equivalent resistance between the junctions
and
is

Symmetry of the circuit shows that B and D are at the same potential and and
are at another potential. So the circuit can be redrawn as shown in figure.

The equivalent resistance in the middle line between and
is.
. The total equivalent resistance between
and
is
such that.
The equivalent resistance between and
along path
is
Total equivalent resistance between and
is the resistance
and (7/5)R in parallel that is
Study 40% syllabus and score up to 100% marks in JEE
5 g of Na2SO4 was dissolved in x g of H2O. The change in freezing point was found to be 3.820C. If Na2SO4 is 81.5% ionised, the value of x (K

A capacitor is made of two square plates each of side 'a' making a very small angle
A solution of m-chloroaniline, m-chlorophenol and m-chlorobenzoic acid in ethyl acetate was extracted initially with a saturated solution of NaHCO3 to give fraction A. The leftover organic phase was extracted with d