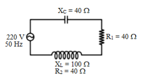
The power factor of the circuit as shown in figure is

0.2
0.4
0.8
0.6
Resistance of the circuit,
Impedance of the circuit,
Power factor,
Study 40% syllabus and score up to 100% marks in JEE
5 g of Na2SO4 was dissolved in x g of H2O. The change in freezing point was found to be 3.820C. If Na2SO4 is 81.5% ionised, the value of x (K

A capacitor is made of two square plates each of side 'a' making a very small angle
A solution of m-chloroaniline, m-chlorophenol and m-chlorobenzoic acid in ethyl acetate was extracted initially with a saturated solution of NaHCO3 to give fraction A. The leftover organic phase was extracted with d