Get Answers to all your Questions

header-bg qa

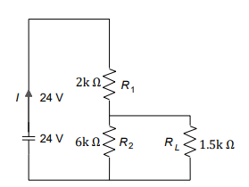
For the circuit shown in the figure

Option: 1

The current I through the battery is 7.5mA


Option: 2

The potential difference across \mathrm{R_L} is 18 V If R1 and R2 are interchanged, magnitude of


Option: 3

Ratio of powers dissipated in R1 and R2 is 3


Option: 4

the power dissipated in \mathrm{R_L} will decrease by a factor of 9


Answers (1)

best_answer

\mathrm{R_{\text {total }}=2+\frac{6 \times 1.5}{6+1.5}=3.2 \mathrm{k} \Omega }
\begin{aligned} \mathrm{(a)} ~~&\mathrm{I=\frac{24 \mathrm{~V}}{3.2 k \Omega}=7.5 \mathrm{~mA}=I_{R_1}}\\ &\mathrm{ I_{R_2}=\left(\frac{R_L}{R_L+R_2}\right) I} \\ &\mathrm{ I=\frac{1.5}{7.5} \times 7.5=1.5 \mathrm{~mA} }\\ &\mathrm{ I_{R_L}=6 \mathrm{~mA} }\end{aligned}
 

\mathrm{(b) ~~V_{R_L}=\left(I_{R_L}\right)\left(R_L\right)=9 \mathrm{~V}}
 

\mathrm{(c)~~ \frac{P_{R_1}}{P_{R_2}}=\frac{\left(I_{R_1}^2\right) R_1}{\left(I_{R_2}^2\right) R_2}=\frac{(7.5)^2(2)}{(1.5)^2(6)}=\frac{25}{3}}

\mathrm{(d)}   When \mathrm{R_1} and \mathrm{R_2} are interchanged, then

\mathrm{\frac{R_2 R_L}{R_2+R_L}=\frac{2 \times 1.5}{3.5}=\frac{6}{7} \mathrm{k} \Omega }

Now potential difference across \mathrm{R_L} will be

\mathrm{V_L=24\left[\frac{\frac{6}{7}}{6+\frac{6}{7}}\right] 3 \mathrm{~V}}

Earlier it was 9V
Since, \mathrm{P=\frac{V^2}{R} or P \propto V^2 } 

In new situation potential difference has been decreased three times. Therefore, power dissipated will decrease by a factor of 9 .

Posted by

Divya Prakash Singh

View full answer

NEET 2024 Most scoring concepts

    Just Study 32% of the NEET syllabus and Score up to 100% marks